case ih 1020 header parts diagram

AAA100952A1 -Driveshaft Header w 1-18 Hex End Yokes. Browse by Type Brand or Part Today.


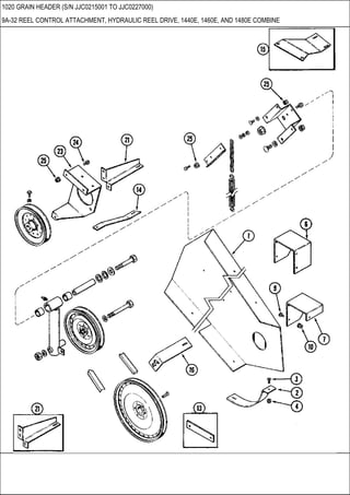
1020 Grain Header Prior To S N Jjc0215001 1 86 12 02 9d 10 Main Frame Supports Case Agriculture

FREE pickup in store.

. If you dont have an account register now. This parts book contains exploded parts views of all the parts of this CIH header. Ad Get The Best Price on Case Backhoe Parts Every Time.

Case IH 1010 1020. An absolute must if you are rebuilding taking apart or trying to purchase a part for your machine. Kit includes parts to convert from a cable to a mechanical linkage to acuate the.

1020 - grain header prior to sn jjc02150010186 - 1202 catalog search note. Begin by searching for your equipment by model or serial number. We stock used new aftermarket and rebuilt header parts for Case IH Gleaner Hesston International John Deere Macdon Massey Ferguson and New Holland.

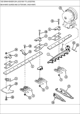
Your Case IH dealer has what it takes to protect your equipment investment. Parts tractor massey ferguson collet valve mf. Case ih 1020 header parts diagram Lifter cih 1020 - GRAIN HEADER PRIOR TO SN JJC0215001 186-1202 9D-18.

This is the complete parts catalog for the Case IH 1020 headers. Whether its for your combine corn head or grain head the parts you need are just a click away 24 hours a day. Case IH Parts Links.

Combine header parts for sale at All States Ag Parts. Ship to your address. Use keywords or part numbers instead of full sentences for best results.

Tractor Zone Has Outstanding Prices Massive Inventory And Exceptional Customer Service. Find schematics manuals specifications and diagrams for 1020 GRAIN HEADER PARTS CATALOG. CASE IH COTTON HARVESTER0190 - 1296 1822 - CASE IH COTTON PICKER SN JJC0012691 AFTER0789 - 1293.

Only genuine Case IH parts are made for your machine and designed for. Case 530 Question -. 1020 - GRAIN HEADER PIN.

Case IH Parts Diagrams. Ad Save with High Quality Aftermarket Replacement Planter Parts for Case IH. The content that appears is retrieved from CNH however any items you add will be placed into your Hoober cart prices may vary from those displayed by CNH usually the same or lower.

Sloan Express - Helping Farmers for Over 85 Years. Find genuine OEM parts for your needs. Power Your Performance with 247365 Access to Parts.

Ad Shoup Has An Incredible Selection of Quality Farm Equipment Replacement Parts. 1020 - grain header pin. 1020 ih case header parts eq 1999 salvage asap.

737-3025 1234 filter oil pump etc. 737-3025 1234 filter oil pump etc. 4 Images about 1020 - GRAIN HEADER PRIOR TO SN JJC0215001 186-1202 9D-18.

Viscosity Oil and Fluids. 3 rows 1020 - grain header sn jjc0215001 to jjc02270001294 - 1202 catalog search note. Cbj023001 and after1104 - 1211 catalog search note.

Knowledgeable customer support and quick shipping. 1294 ih tractor manual. Great selection of Case IH grain platform parts including auger fingers divider assemblies and more.

1313797C2 Platform Knife Head Block Fits Case IH. 1020 Combine Platform Auger Poly. Auger Bearing Collar fits Case IH 2188 2144 2377 1680 1640 1620 2366.

1020 grain header parts catalog mediastechdrawing-assembly-D4AD7EE6-8EBF-E111-9FCE-005056875BD6pngcontext. Use keywords or part numbers instead of full sentences for best results. Fastline mfwd knuckle spindle ih axles 1020 -.


Case 1020 Grain Header


1020 Grain Header P I N Cbj023001 And After 11 04 12 11 09 Chassis Attachments Case Agriculture


Case 1020 Grain Header


Case 1020 Grain Header


S I Distributing Inc Case Ih 1020


Case Ih 1020 Grain Header Parts Catalog Ebay


Case Ih 1640 Combine Parts Catalog Farm Manuals Fast


Case 1020 Grain Header


Case Ih 106024a1 Shaft Auger Drive Shaft Farm Parts Store


Case Ih 1020 Grain Header Export Operator S Manual Ebay


Case 1020 Grain Header


1020 Grain Header P I N Cbj023001 And After 11 04 12 11 09 Chassis Attachments Case Agriculture


904 526 50 17 32 Bolt W Nut For Case Case Ih 1020 Cutting Platforms Up To 60 Off Dealer Prices Tractorjoe Com


Crary Cws Wind System For Case Ih 1010 1020 Header Parts Catalog Manual Ebay


1020 Grain Header Prior To S N Jjc0215001 1 86 12 02 58 Attachments Headers Case Agriculture


1020 Grain Header Prior To S N Jjc0215001 1 86 12 02 58 Attachments Headers Case Agriculture


Case 1020 Grain Header

Iklan Atas Artikel

Iklan Tengah Artikel 1

Iklan Tengah Artikel 2

Iklan Bawah Artikel